天眼查信息显示,北京智芯微电子科技有限公司于2025年3月14日公布了名为“一种内嵌两位辅助量化器的saradc结构”的专利,专利申请公布号为cn119628643a。
☞☞☞AI 智能聊天, 问答助手, AI 智能搜索, 免费无限量使用 DeepSeek R1 模型☜☜☜

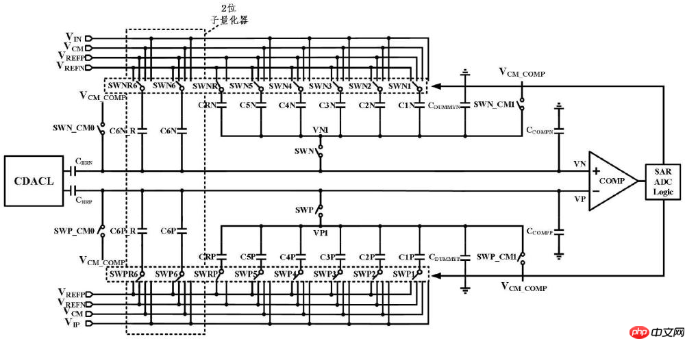
该发明提出了一种具备两位辅助量化器的SARADC结构,属于半导体器件技术领域。其主要包括输入电压模块、高位电容阵列模块、桥接电容模块以及比较器模块。本发明所提出的SARADC结构能够在宽电压输入环境下运行,通过两位辅助量化器生成最高有效位(MSB)与次有效位(MSB‑1)的比较信号,并依据这些信号控制开关阵列的切换以及高位电容的状态调整,从而参与SARADC的量化过程。该设计可将比较器输入端VN和VP的电压范围限制在1.8V以内,实现了在宽电压输入条件下对低压器件的信号量化处理,满足了SARADC在宽电压输入和低功耗工作方面的要求,同时优化了其速度与能耗表现。
以上就是智芯微“一种内嵌两位辅助量化器的SARADC结构”专利公布的详细内容,更多请关注php中文网其它相关文章!
每个人都需要一台速度更快、更稳定的 PC。随着时间的推移,垃圾文件、旧注册表数据和不必要的后台进程会占用资源并降低性能。幸运的是,许多工具可以让 Windows 保持平稳运行。
Copyright 2014-2025 https://www.php.cn/ All Rights Reserved | php.cn | 湘ICP备2023035733号